高压空气增压泵
SL-GD系列气体增压泵是利用大面积活塞端的低压气体驱动而产生小面积活塞端的高压流体。可用于压缩空气、氮气及其它气体,输出气压可通过驱动气压无级调节。
高压气体增压泵
SL-GD系列气体增压泵是利用大面积活塞端的低压气体驱动而产生小面积活塞端的高压流体。可用于压缩空气、氮气及其它气体,输出气压可通过驱动气压无级调节。
一、气体增压泵特点 :
1、输出压力高:最大液体输出压力可达300MPa.气体可达100-120MPa
2、适用范围广:工作介质可为压缩空气、氮气及氢气、氧气(需定制)等气态介质,而且可靠性高,免维护和寿命长。
3、输出范围广:对所有型号泵仅需较小气压就能平稳工作,此时获得最小的流量,调节进气量后可获得不同的流量。
4、应用灵活:选用不同的型号的泵,可获得不同压力区域。
5、易于调节:在泵的压力范围内,调节调节阀从而调节输入气压,输出液压相应得到无极调整。
6、自动保压:无论何种原因造成保压回路压力下降,该泵将自动启动,补充泄露压力,保持回路压力恒定。
7、操作安全:采用气体驱动,无电及火花,可在危险场所使用。
8、维护简单:与其它的起驱泵比较,气体增压泵可完成同样的工作,但其零件及密封少,维护更简单。
9、性价比高:SL-GD系列气体增压泵是一种气动往复式活塞泵,工作时,气体增压泵迅速往复工作,随着输出压力的增高,泵的往复减慢直至停止,此时,泵输出的压力恒定,能量消耗最低,各部件停止运动。

三、主要参数
驱动气压:3-8bar
增压比:1:130
驱动介质:清洁压缩空气
压缩介质:空气、氮气
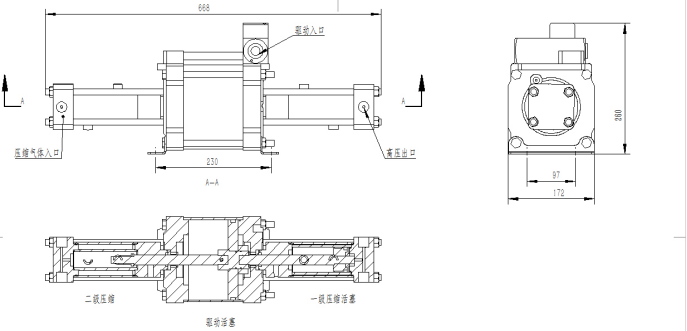
驱动接口:G1/2
压缩进口:G3/8
高压出口:M14*1.5
手机:13335122097 电话:0531-88113396 EMAIL:593168302@qq.com
公司地址:济南市历城区西周工业园
版权所有:济南上凌科技有限公司 鲁ICP备09083020号
Powered by 水压试验机
联系电话
微信扫一扫